Rotary Switch Wiring for RRC's
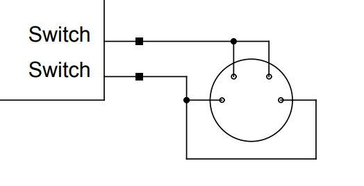
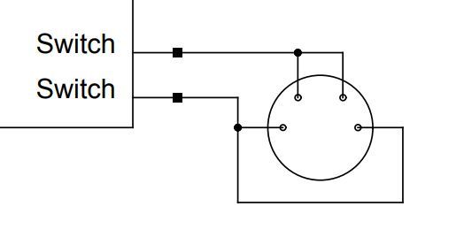
We recommend wiring the "Schurter Brand" Rotary switches we sell in a multi-axis "redundant" DPST (Double Pole / Single Throw) contact arrangement as shown in the following diagrams. The 110V position will be the ON position, and the 220V position will be the OFF position.
It is also Paramount that you avoid overheating the switch post terminals when you solder your sled power wiring. The recommended procedure for soldering is as follows:
- Pre-tin the switch post terminals using a wet tip of your low-wattage soldering iron with a "wiping" motion.
- Also pre-tin all the ends of your power wiring.
- Mechanically pre-attach and trim all your power switch wiring to switch terminals
- Gently heat and reflow the terminals and wires together.
RRC2+ Wiring

RRC3 Wiring


